熔噴布生產線用熔體泵的性能特點
作者:鄭州巴特熔體泵有限公司 時間:2020-03-18 15:12:08
鄭州巴特是一家專業提供熔噴布生產用熔體泵、熔噴換網過濾器設備供應商,為內熔噴無紡布生產企業提供優質的熔體計量、過濾設備。因目前市場對口罩供不應求,導致作為口罩的核心原料熔噴布已經無法滿足市場需求。內一些有條件的企業,開始轉產熔噴布生產,這就刺激了市場對熔噴布生產線相關設備的需求。


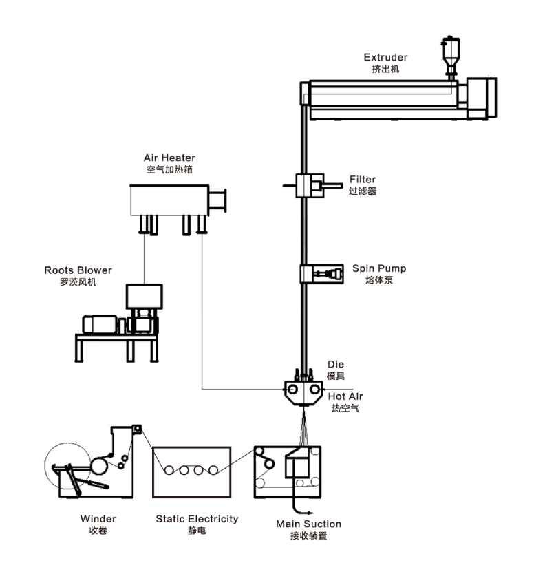
口罩核心原料,熔噴布生產工藝流程為:原材料---->熔融擠出---->過濾(熔噴布換網過濾器)---->計量(熔噴布熔體泵)---->空氣加熱壓縮---->熔噴---->成網---->收卷。

熔體泵在熔噴布生產線上的主要作用是:計量,控制產量和纖維的細度,將熔體連續均勻輸送到噴絲頭。

鄭州巴特提供的熔噴布專用熔體泵具有穩定輸出壓力、提高產品品質、提高擠出產量、降低單位能耗等優勢。詳細了解關于熔噴布熔體泵價格或者產品性能,請咨詢我們24小時服務熱線:0371-67993077
上一篇:熔噴無紡布廠家-巴特機械告訴您熔噴無紡布工藝
下一篇:熔噴布生產線中熔噴聚丙烯計量泵如何配置


